- Главная
- Комплектующие
- Сервомоторы
- MS2N04-D0BQ (3,65 Н·м, 4000 об/мин)
MS2N04-D0BQ (3,65 Н·м, 4000 об/мин)
Артикул MS2N04-D
Новое поколение двигателей Rexroth MS2N для интеллектуальных решений в среде Индустрия 4.0.
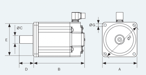
Размер фланца 82x82 мм.
3,65 Н·м - 2000 об/мин.
3,65 Н·м - 4000 об/мин.
Обороты [об/мин]: 2 000
Высокий крутящий момент, высокие скорости вращения, удобное подключение по одному кабелю, а также обширные программные опции: новое поколение двигателей Rexroth MS2N соединяет максимальную динамику с компактными размерами и лучшими показателями энергоэффективности.
В новой линии MS2N интеллектуальная система расширена вплоть до мотора. Она сохраняет индивидуальные показатели каждого отдельного двигателя, в том числе насыщенность и температурные данные, в память двигателя.
Контроллеры привода IndraDrive обрабатывают эти значения в режиме реального времени, что значительно повышает точность крутящего момента, при этом уменьшая диапазон значений допусков, которые до сих пор были стандартом. Таким образом, серводвигатель может быть использован и как надежный датчик, и как источник данных. В этом случае приложения в среде Индустрия 4.0 могут быть реализованы с минимальными затратами и без дополнительных компонентов.
Короткие головки катушки и высокоэффективный мотор дают компактные размеры с минимальными потерями мощности. Это приводит к существенному повышению энергоэффективности и снижает эксплуатационные расходы в долгосрочной перспективе. Имеющаяся операция ослабления поля в сочетании с приводом IndraDrive расширяет используемый диапазон скорости крутящего момента сверх предельного напряжения.
MS2N04 оснащены двумя компактными штекерами M17 для обычного подключения. Доступно однокабельное подключение М23, которое значительно сокращает время установки и уменьшает пространственные требования. Все вилки являются поворотными и оснащены удобной быстрой блокировкой.
![]() |
![]() |
| двойной штекер М17 | однокабельное подключение М23 |
Охлаждение происходит путем естественной конвекции и теплового излучения в окружающее пространство через ребра охлаждения на корпусе двигателя.
Структура условного обозначения сервомоторов модели MS2N04-D

*Необходимые параметры укажите в комментарии к заказу.
Технические параметры
| Параметры | MS2N04- | |
| D0BH | D0BQ | |
| Скорость вращения | ||
| номинальная | 2000 об/мин | 4000 об/мин |
| максимальная | 4000 об/мин | 6000 об/мин |
| Крутящий момент | ||
| номинальный 60К | 3,65 Н·м | |
| номинальный 100К | 4,5 Н·м | |
| максимальный | 19,0 Н·м | |
| Ток | ||
| номинальный 60К | 1,65 А | 2,95 А |
| номинальный 100К | 2,05 А | 3,60 А |
| максимальный | 9,7 А | 17,3 А |
| Момент инерции | ||
| без тормоза | 0,00016 кг·м2 | |
| с тормозом | 0,00020 кг·м2 | |
| Вес | ||
| без тормоза | 4,7 кг | |
| с тормозом | 5,4 кг | |
Конструктивные размеры
| Фланец | Базовая длина | Длина энкодера | Длина тормоза | Вал | |
| энкодер С | |||||
| 82х82 мм | 211 мм | +15 мм | +32,5 мм | ∅14 х 30 мм | |
Для заказов на сумму более 50 000 руб. доставка включена в стоимость.
В других случаях рассчитывается исходя из веса отправления и региона доставки.
Возможна доставка любой удобной для заказчика ТК
Сроки доставки от 1 до 3 дней по Центральному региону
По умолчанию мы работаем с двумя курьерскими компаниями:
Major — российская компания, занимающаяся продажей автомобилей и перевозками грузов. Крупнейший, наряду с «Рольфом», автодилер страны.
DPDgroup — международная служба экспресс-доставки. В среднем ежедневно доставляет более 5 миллионов посылок. Работает под торговой марками DPD.
Это наши проверенные партнеры. Однако если вы предпочитаете работать с другой курьерской службой, у нас нет ограничений. Просто сообщите нам об этом. Мы согласуем все условия и отправим заказ с полным комплектом сопутствующей документации.
Как оплатить?
Оплата принимается по безналичному расчету. После согласования заказа мы выставляем счет на оплату. Заказ считается оплаченным после поступления суммы заказа на расчетный счет ООО «Эффективное производство».
Как получить?
География доставки — вся Россия. При перевозке грузы подлежат страхованию. Обычно доставка входит в стоимость продукции.
Приобретая продукцию у нас, вы можете быть уверены, что получаете оригинальное сертифицированное оборудование, комплектующие и оснастку.
На весь представленный ассортимент распространяется гарантия завода-изготовителя. Для каждого конкретного изделия производитель устанавливает определенный гарантийный срок. Обычно он составляет 12-36 месяцев.
Согласно п. 1 ст. 471 Гражданского кодекса РФ гарантийный срок на товар исчисляется с момента фактической передачи его покупателю.
При наступлении гарантийного случая и отсутствии следов некорректной эксплуатации, осуществляется замена неисправного оборудования в соответствии с Законом о защите прав потребителей.
Если утрата функциональности изделия связана с механическими повреждениями, попытками модификации или ремонта, нецелесообразным использованием, то компания ООО «Эффективное производство» не несет за это ответственности, а действие гарантийных обязательств прекращается.
Иногда мы сталкиваемся с ситуацией, когда подлинные запчасти работают некорректно, т.к. нарушена технология их установки. В таком случае наши инженеры удаленно помогают клиентам наладить эксплуатацию.






































